1996 subaru legacy outback engine diagram

1991 Subaru Legacy Turns Over, Won"t Start. 16 Pictures about 1991 Subaru Legacy Turns Over, Won"t Start : 1998 Subaru Outback Engine Diagram - Wiring Diagrams, [DIAGRAM] 2006 Subaru Outback Engine Diagram FULL Version HD Quality and also 1996 subaru legacy bg5 ecu wiring diagram - ClintonCrisp's blog.

1991 Subaru Legacy Turns Over, Won"t Start

1991 Subaru Legacy Turns Over, Won"t Start www.2carpros.com

subaru legacy turns 1991 start won sponsored links

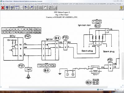
Our 1997 Subaru Legacy Outback, 2.5 Liter Engine, Has Stopped Running

Our 1997 Subaru Legacy Outback, 2.5 liter engine, has stopped running www.justanswer.com

subaru ignition legacy outback 1997 coil engine key liter sparks questions does

41322FJ010 - Suspension Crossmember Insulator. Bushing Differential

41322FJ010 - Suspension Crossmember Insulator. Bushing Differential parts.subaru.com

crossmember insulator strut

1996 Subaru Legacy Bg5 Ecu Wiring Diagram - ClintonCrisp's Blog

1996 subaru legacy bg5 ecu wiring diagram - ClintonCrisp's blog clintoncrisp.typepad.com

wiring diagram subaru legacy 1997 engine ecu 1996 electrical switch power plymouth bg5 control cruise 2000 diagrams ej25 ej22 tcu

1998 Subaru Outback Engine Diagram - Wiring Diagrams

1998 Subaru Outback Engine Diagram - Wiring Diagrams cars-wiringdiagram.blogspot.com

subaru diagram outback engine legacy wiring 2002 1998 tank leak gas diagrams side 1997 library

21204AA900 - Subaru Engine Coolant Hose | Lithia Subaru, Oregon City OR

21204AA900 - Subaru Engine Coolant Hose | Lithia Subaru, Oregon City OR parts.oregoncitysubaru.com

2006 throttle purge intakemanifold maintenance hoses 06my

Subaru Legacy Transmission Crossmember Bracket (Front, Rear

Subaru Legacy Transmission Crossmember Bracket (Front, Rear parts.subaru.com

transmission crossmember

16546AA16A - Air Filter - Genuine Subaru Part

16546AA16A - Air Filter - Genuine Subaru Part parts.subaru.com

air subaru filter parts cleaner diagram

Subaru Legacy Service Manual - Removal - Engine Assembly

Subaru Legacy Service Manual - Removal - Engine assembly www.sulegacy.com

removal installation engine subaru legacy manual service side sulegacy

1997 Subaru Legacy Wiring Diagram

1997 Subaru Legacy Wiring Diagram www.chanish.org

wiring impreza kenwood excelon carro 1992 chanish autoradio esterio chevy valvulita teisco pinout t800 knipp justy raphaela

1995 Subaru Legacy- Beginning Of The End - YouTube

1995 Subaru Legacy- beginning of the end - YouTube www.youtube.com

[DIAGRAM] 2006 Subaru Outback Engine Diagram FULL Version HD Quality

[DIAGRAM] 2006 Subaru Outback Engine Diagram FULL Version HD Quality diagramofforces.forser.it

outback egr forester 205k sohc

2001 Subaru Legacy Problems, Online Manuals And Repair Information

2001 Subaru Legacy Problems, Online Manuals and Repair Information www.helpowl.com

lagacy

1997 Subaru Legacy Wiring Diagram

1997 Subaru Legacy Wiring Diagram www.chanish.org

Engine Not Starting: 96 Subaru Legacy Outback Turns Over, Page 3

Engine Not Starting: 96 Subaru Legacy Outback Turns Over, Page 3 www.2carpros.com

pontiac diagram vibe engine 2009 wiring fuse subaru legacy starting sponsored links diagrams

04214 1995 Subaru Impreza Engine Sensor Diagram | Ebook Databases

04214 1995 Subaru Impreza Engine Sensor Diagram | Ebook Databases daggdroppe.se

impreza outback tribeca

1997 subaru legacy wiring diagram. 1997 subaru legacy wiring diagram. Crossmember insulator strut