1997 acura tl seat wiring

04 Acura Tsx Seat Wiring Diagram - Wiring Diagram Schemas. 9 Pictures about 04 Acura Tsx Seat Wiring Diagram - Wiring Diagram Schemas : 04 Acura Tsx Seat Wiring Diagram - Wiring Diagram Schemas, 1997 Acura Cl Wiring Diagram and also Acura Legend (1991 - 1992) - wiring system - power windows.

04 Acura Tsx Seat Wiring Diagram - Wiring Diagram Schemas

04 Acura Tsx Seat Wiring Diagram - Wiring Diagram Schemas sightronscopes.blogspot.com

1997 tsx

Acura NSX (1997 - 2005) - Wiring Diagrams - Starting - Carknowledge.info

Acura NSX (1997 - 2005) - wiring diagrams - starting - Carknowledge.info www.carknowledge.info

acura wiring starting nsx 1997 diagrams diagram carknowledge info 2005

04 Acura Tsx Seat Wiring Diagram - Wiring Diagram Schemas

04 Acura Tsx Seat Wiring Diagram - Wiring Diagram Schemas sightronscopes.blogspot.com

diagram integra tsx autozone repairguide guides

Acura TL (1998 - 1999) - Wiring Diagrams - Power Seats - Carknowledge.info

Acura TL (1998 - 1999) - wiring diagrams - power seats - Carknowledge.info www.carknowledge.info

acura

Acura Tl Window Wiring Diagram - Wiring Diagram Networks

Acura Tl Window Wiring Diagram - Wiring Diagram Networks kelvin-okl.blogspot.com

wiring acurazine

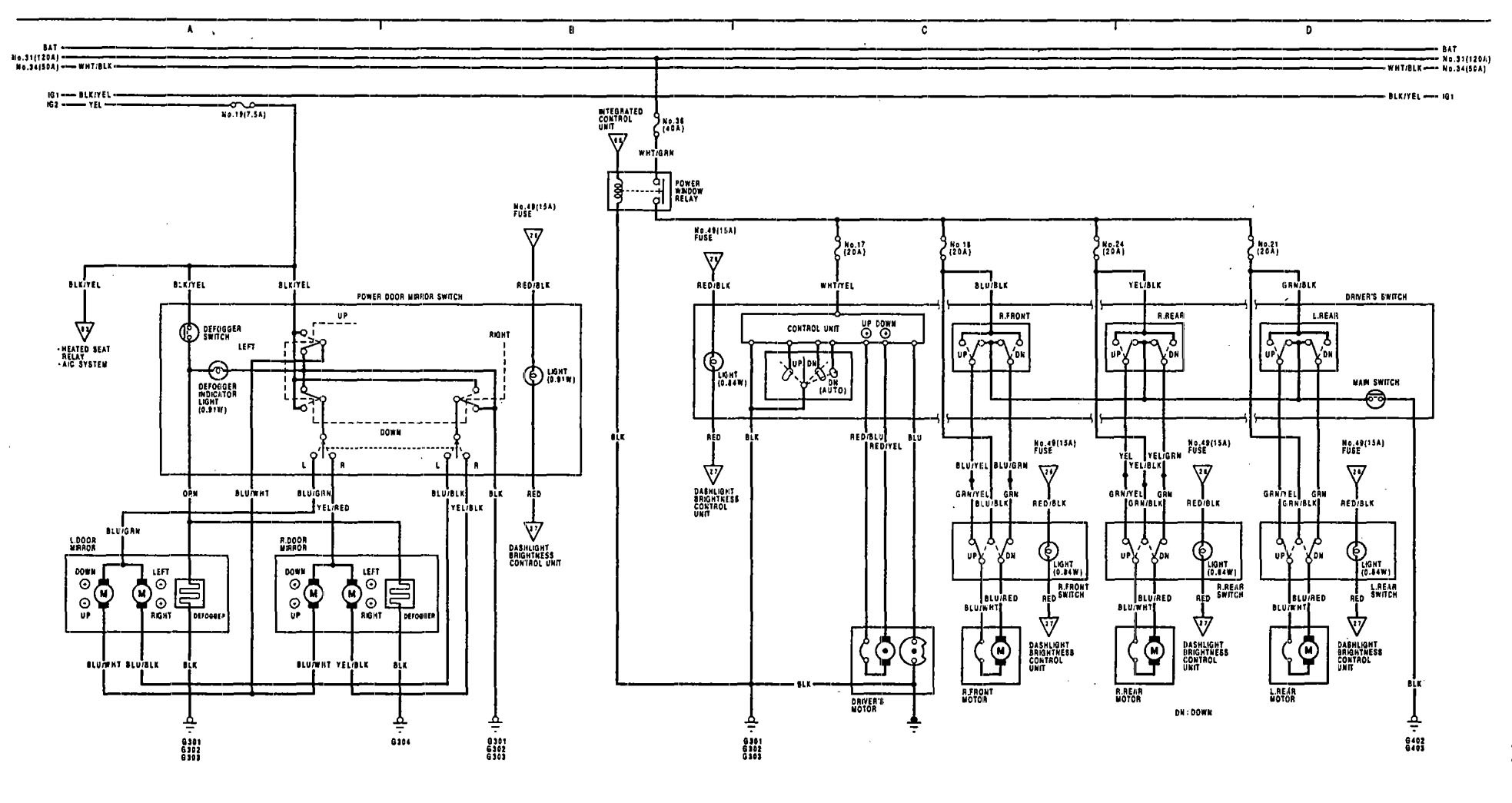
Acura Legend (1991 - 1992) - Wiring System - Power Windows

Acura Legend (1991 - 1992) - wiring system - power windows www.carknowledge.info

1997 Acura Cl Wiring Diagram

1997 Acura Cl Wiring Diagram hestiahelper.blogspot.com

fuse tracer 2carpros

1997 Acura Cl Wiring Diagram

1997 Acura Cl Wiring Diagram hestiahelper.blogspot.com

c2500

2004 Acura TL 3.2L MFI SOHC VTEC 6cyl | Repair Guides | Electrical

2004 Acura TL 3.2L MFI SOHC VTEC 6cyl | Repair Guides | Electrical www.autozone.com

wiring diagram 1997 door locks power nissan altima autozone lock fig 2004

Acura tl (1998. Acura legend (1991. 2004 acura tl 3.2l mfi sohc vtec 6cyl