1997 c280 wiring diagram

Wiring Diagram For 2007 Saturn Vue | schematic and wiring diagram. 11 Images about Wiring Diagram For 2007 Saturn Vue | schematic and wiring diagram : [DIAGRAM] 2005 Mercedes C230 Engine Diagram FULL Version HD Quality, Mercedes-Benz C280 (1994 - 1997) - wiring diagrams - interior lighting and also [DIAGRAM] 2005 Mercedes C230 Engine Diagram FULL Version HD Quality.

Wiring Diagram For 2007 Saturn Vue | Schematic And Wiring Diagram

Wiring Diagram For 2007 Saturn Vue | schematic and wiring diagram schematicandwiringdiagram.blogspot.com

[DIAGRAM] 1995 Mercedes C280 Engine Diagram HD Quality - LAWIRING

[DIAGRAM] 1995 Mercedes C280 Engine Diagram HD Quality - LAWIRING lawiring.madameki.fr

c280 e320 benz seafoam mecedes

TCL C2133E, Service Manual, Repair Schematics

TCL C2133E, Service Manual, Repair Schematics www.electronica-pt.com

tcl schematics

2062711 CONTROL GROUP-ENGINE ELECTRONIC - ENGINE - MARINE Caterpillar

2062711 CONTROL GROUP-ENGINE ELECTRONIC - ENGINE - MARINE Caterpillar 777parts.net

caterpillar 777parts c280 control marine engine

For A 1997 Mercede C230 Engine Diagram - Wiring Diagram & Schemas

For A 1997 Mercede C230 Engine Diagram - Wiring Diagram & Schemas wiringideas.blogspot.com

c230 fuse c320 c240 e320 560sl mercede

Mercedes-Benz C280 (1994 - 1997) - Wiring Diagrams - Interior Lighting

Mercedes-Benz C280 (1994 - 1997) - wiring diagrams - interior lighting www.carknowledge.info

mercedes wiring benz c280 lighting interior diagrams 1994 1997 diagram carknowledge info c220 1996

[DIAGRAM] 2005 Mercedes C230 Engine Diagram FULL Version HD Quality

[DIAGRAM] 2005 Mercedes C230 Engine Diagram FULL Version HD Quality geinokaigi.xyz

c230 engage

Mercedes-Benz C280 (1994 - 1997) - Wiring Diagrams - Instrumentation

Mercedes-Benz C280 (1994 - 1997) - wiring diagrams - instrumentation www.carknowledge.info

mercedes benz instrumentation wiring c280 1994 diagram diagrams carknowledge info 1997

For A 1997 Mercede C230 Engine Diagram - Wiring Diagram & Schemas

For A 1997 Mercede C230 Engine Diagram - Wiring Diagram & Schemas wiringideas.blogspot.com

c230 e320 mercede

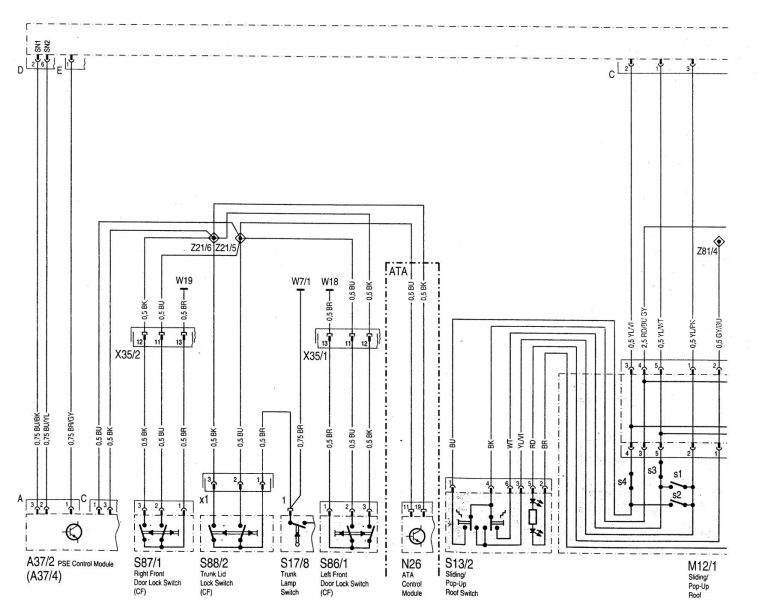
Mercedes-Benz C280 (1997) - Wiring Diagrams - Power Windows

Mercedes-Benz C280 (1997) - wiring diagrams - power windows www.carknowledge.info

c280

[DIAGRAM] Porsche 997 1 Wiring Diagram FULL Version HD Quality Wiring

[DIAGRAM] Porsche 997 1 Wiring Diagram FULL Version HD Quality Wiring andrew-johnson.hansafanprojekt.de

wiring diagram 997 deere john trak 737 757 mower porsche manual powerking u2013 pdf mid

[diagram] 1995 mercedes c280 engine diagram hd quality. Mercedes benz instrumentation wiring c280 1994 diagram diagrams carknowledge info 1997. Wiring diagram for 2007 saturn vue