1997 explorer window wiring diagram

I have a 2000 ford explorer. The driver door window does not work. I. 14 Pics about I have a 2000 ford explorer. The driver door window does not work. I : [DIAGRAM] 1999 Ford Explorer Power Window Wiring Diagram, 1997 ford explorer: new alt wiring looks good any common problem and also 1997 F150 Power Window Wiring Diagram - Wiring Diagram and Schematic.

I Have A 2000 Ford Explorer. The Driver Door Window Does Not Work. I

I have a 2000 ford explorer. The driver door window does not work. I www.justanswer.com

ford explorer 2000 door window driver wiring diagram switch question ask own

LOGITECH Z 2300 CIRCUIT DIAGRAM - Auto Electrical Wiring Diagram

LOGITECH Z 2300 CIRCUIT DIAGRAM - Auto Electrical Wiring Diagram wiringdiagram.herokuapp.com

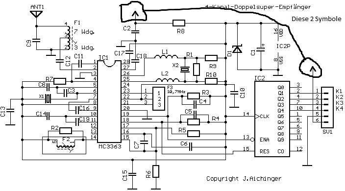
schaltplan

[DIAGRAM] 1999 Ford Explorer Power Window Wiring Diagram

[DIAGRAM] 1999 Ford Explorer Power Window Wiring Diagram firediagram.blogspot.com

1997 Ford F150 Wiper Motor Wiring Diagram - Wiring Diagram

1997 Ford F150 Wiper Motor Wiring Diagram - Wiring Diagram wiringdiagram.2bitboer.com

wiper f150

31 5 Wire Door Lock Relay Diagram - Wiring Diagram Database

31 5 Wire Door Lock Relay Diagram - Wiring Diagram Database kovodym.blogspot.com

locks 1989 diagrams justanswer

Electrical Wiring Diagram Ford Explorer Window - Wiring Diagram & Schemas

Electrical Wiring Diagram Ford Explorer Window - Wiring Diagram & Schemas wiringideas.blogspot.com

I Have A 1999 Ford Explorer, AWD, Eddie, 5.0. Recently The Power

I have a 1999 Ford Explorer, AWD, Eddie, 5.0. Recently The power www.justanswer.com

wiring explorer diagram ford power 2005 1999 engine window fuse windows smart diagrams 2006 awd working mirror electrical 2007 box

2003 Ford Explorer Power Window Wiring Diagram - Database - Wiring

2003 Ford Explorer Power Window Wiring Diagram - Database - Wiring faceitsalon.com

explorer diagram wiring ford 2003 window power explorerforum database source

1997 Ford Explorer: New Alt Wiring Looks Good Any Common Problem

1997 ford explorer: new alt wiring looks good any common problem www.justanswer.com

ford explorer 1997 alt wiring problem common looks any

Wiring Diagram PDF: 2002 Ford F150 Ignition Wiring Diagram

Wiring Diagram PDF: 2002 Ford F150 Ignition Wiring Diagram wiring-pdf.blogspot.com

tps diagrams eec efi schematron

My 2002 Ford Explorer Passenger Window Will Not Roll Up. I Hear The

My 2002 Ford explorer passenger window will not roll up. I hear the www.justanswer.com

window ford passenger explorer 2002 roll cable motor regulator breaks unravels replaced typical sounds usually because need

1997 F150 Power Window Wiring Diagram - Wiring Diagram And Schematic

1997 F150 Power Window Wiring Diagram - Wiring Diagram and Schematic wiring.hpricorpcom.com

I Have A 2002 Explorer. All Power Windows No Longer Work. Have Replaced

I have a 2002 Explorer. All power windows no longer work. Have replaced www.justanswer.com

explorer 2002 power fuse switch windows ford replaced luck still

2010 Explorer Wiring Diagram

2010 Explorer Wiring Diagram wiringschems.blogspot.com

Logitech z 2300 circuit diagram. Tps diagrams eec efi schematron. Explorer diagram wiring ford 2003 window power explorerforum database source