1997 ford e250 radiator diagram

Wire Diagram 97 Ford Thunderbird - Complete Wiring Schemas. 13 Images about Wire Diagram 97 Ford Thunderbird - Complete Wiring Schemas : Wire Diagram 97 Ford Thunderbird - Complete Wiring Schemas, 1997 Ford Taurus Radiator Diagram and also 15+ 1997 Honda Accord Engine Wiring Diagram - Engine Diagram - Wiringg.

Wire Diagram 97 Ford Thunderbird - Complete Wiring Schemas

Wire Diagram 97 Ford Thunderbird - Complete Wiring Schemas wiring89.blogspot.com

diagram wire thunderbird ford wiring starter solenoid

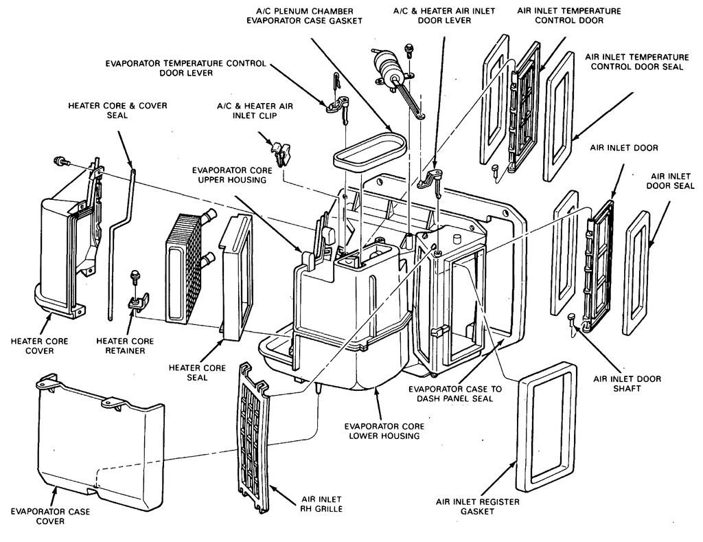
I Have A 1993 Ford Conversion Van. The Front Heater Produces Very

I have a 1993 Ford Conversion Van. The front heater produces very www.justanswer.com

ford heater core diagram hose 1993 2001 expedition van conversion v8 econoline blower fan any air justanswer

2000 Ford E150 4.2 V6 Thermostat Replacement - YouTube

2000 Ford E150 4.2 V6 Thermostat Replacement - YouTube www.youtube.com

Ford Cooling Systems For 2002 Ford E-450 Econoline Super Duty For Sale

Ford Cooling Systems for 2002 Ford E-450 Econoline Super Duty for sale www.ebay.com

ford econoline cooling 2002 duty super oem radiator wagon blade fan club fits

Radiator Replacement: How To Replace The Radiator In A 2006 Ford

Radiator Replacement: How to Replace the Radiator in a 2006 Ford www.2carpros.com

radiator ford 2006 replacement

2001 Ford Windstar Engine Cooling Fans Stay's On

2001 Ford Windstar Engine Cooling Fans Stay's On www.2carpros.com

engine windstar ford 2001 cooling sender fans coolant temperature ect stay

1989 E-150 A/C And Heater Problem - Ford Truck Enthusiasts Forums

1989 E-150 A/C and Heater problem - Ford Truck Enthusiasts Forums www.ford-trucks.com

heater 1989 ford problem forums unplugged blowing 55f air ac hose

1997 Ford Taurus Radiator Diagram

1997 Ford Taurus Radiator Diagram www.pinterest.com

taurus cooling diagram fans ford wiring turn 2005 club radiator wiringforums 1997 fan america electric ke lincoln town line diagrams

The Radiator Fans On My 1995 Ford Windstar, 3.8L, Do Not Come On And

The radiator Fans on my 1995 Ford Windstar, 3.8L, do not come on and www.justanswer.com

ford windstar 1995 module ccrm 2000 radiator fans cooling relay control constant 8l heats 2006 autodoc justanswer

2014 Ford E-350 Super Duty Hose. Radiator. 6.8 Liter. 6.8 Liter, From 4

2014 Ford E-350 Super Duty Hose. Radiator. 6.8 liter. 6.8 liter, from 4 parts.lakelandford.com

thermostat e350

How To Change A Heater Core In A 2001 Ford E-150?

How to change a heater core in a 2001 Ford E-150? www.justanswer.com

heater core ford 2001 1999 econoline hose hoses water change replace disconnect justanswer anyway answer steve thanks using plug

15+ 1997 Honda Accord Engine Wiring Diagram - Engine Diagram - Wiringg

15+ 1997 Honda Accord Engine Wiring Diagram - Engine Diagram - Wiringg www.pinterest.com.mx

wiring wiringg

I Have A 1991 Ford E350. The Heater/AC Fan Was On And Working And Just

I have a 1991 Ford E350. The heater/AC fan was on and working and just www.justanswer.com

ford 1991 diagram e250 heater fan ac econoline working blower e350 mechanic 2008 quite chris assistance where

15+ 1997 honda accord engine wiring diagram. Wiring wiringg. Radiator replacement: how to replace the radiator in a 2006 ford