1997 nissan wiring diagram

1995 Nissan Pickup Starter Wiring Diagram - DIAGRAM 87 Nissan Pickup. 17 Images about 1995 Nissan Pickup Starter Wiring Diagram - DIAGRAM 87 Nissan Pickup : nissan engine diagram wiring diagrams tar 1997 Nissan Altima Exhaust, Fan Wiring Diagrams: I Am Having Trouble with the Wiring for the and also 1997 Nissan Altima Fuse Box.

1995 Nissan Pickup Starter Wiring Diagram - DIAGRAM 87 Nissan Pickup

1995 Nissan Pickup Starter Wiring Diagram - DIAGRAM 87 Nissan Pickup goodbargaintopcooking.blogspot.com

2011 Nissan An Wiring Diagram : 2011 Nissan Altima Wire Diagram Wiring

2011 Nissan An Wiring Diagram : 2011 Nissan Altima Wire Diagram Wiring humbleboyyyy.blogspot.com

altima

Nissan Sunny Electrical Wiring Diagram - Home Wiring Diagram

Nissan Sunny Electrical Wiring Diagram - Home Wiring Diagram homewiringdiagram.blogspot.com

nissan diagram wiring sunny electrical

How Can I Find A Wiring Diagram For A 98 Altima A/c System?

How can I find a wiring diagram for a 98 altima a/c system? www.justanswer.com

wiring diagram altima nissan system shimell 2008

Repair Guides

Repair Guides www.autozone.com

nats nissan immobilizer system 2003 vehicle diagram 2002 wiring altima sentra repair nvis lock security autozone fig guide 1999

2001 Nissan Quest Wiring Diagram / Repair Guides | Electrical System

2001 Nissan Quest Wiring Diagram / Repair Guides | Electrical System alaysyia.blogspot.com

Nissan Engine Diagram Wiring Diagrams Tar 1997 Nissan Altima Exhaust

nissan engine diagram wiring diagrams tar 1997 Nissan Altima Exhaust www.pinterest.com

pathfinder altima routing hose justanswer

Ignition System Circuit Diagram (1996-1997 3.8L Buick, Oldsmobile, Pontiac)

Ignition System Circuit Diagram (1996-1997 3.8L Buick, Oldsmobile, Pontiac) easyautodiagnostics.com

oldsmobile bonneville lesabre ninety

56 Nissan 28185 Wiring Diagram - Wiring Diagram Harness

56 Nissan 28185 Wiring Diagram - Wiring Diagram Harness wiringdiagramharnessideas.blogspot.com

wiring sentra

1995 Nissan Maxima Wiring Diagram

1995 Nissan Maxima Wiring Diagram www.chanish.org

wiring nissan maxima diagram radio 2009 versa fuse rogue alternator 2008 stereo ruff tuff diagrams 1995 1998 2000 box 1996

Repair Guides

Repair Guides www.autozone.com

1999 nats nissan immobiliser nvis system repair diagram wiring maxima 350z guide vehicle

[DIAGRAM] Nissan Sentra 1997 Wiring Diagram FULL Version HD Quality

[DIAGRAM] Nissan Sentra 1997 Wiring Diagram FULL Version HD Quality series.senologiainfo.it

gxe liter

1997 Nissan Altima Fuse Box

1997 Nissan Altima Fuse Box gravidaaos15b.blogspot.com

fuses reverse backup schematic

97 Nissan Truck Wiring Diagram - Wiring Diagram Networks

97 Nissan Truck Wiring Diagram - Wiring Diagram Networks kelvin-okl.blogspot.com

diagram nissan wiring frontier ignition 1998 4l 2000 system truck circuit 1999

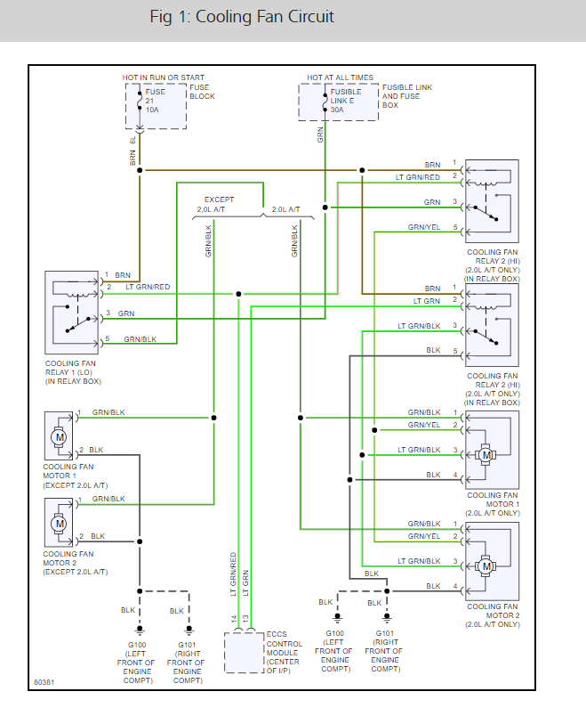
Fan Wiring Diagrams: I Am Having Trouble With The Wiring For The

Fan Wiring Diagrams: I Am Having Trouble with the Wiring for the www.2carpros.com

sentra diagrams

Nissan Wiring Diagram By Rickfihoutab1974 On DeviantArt

nissan wiring diagram by rickfihoutab1974 on DeviantArt rickfihoutab1974.deviantart.com

wiring diagram forklift toyota nissan diagrams interlock ignition 300zx gps supply power goldstar coil routing pack 240sx s13 redtop unusual

Repair Guides

Repair Guides www.autozone.com

ivcs 1999 communicator

Ignition system circuit diagram (1996-1997 3.8l buick, oldsmobile, pontiac). Wiring nissan maxima diagram radio 2009 versa fuse rogue alternator 2008 stereo ruff tuff diagrams 1995 1998 2000 box 1996. Pathfinder altima routing hose justanswer