1997 subaru impreza wiring diagram

Moving windows to accessory power? Wiring diagram inside - Subaru. 18 Pictures about Moving windows to accessory power? Wiring diagram inside - Subaru : 2000 Subaru Impreza Wiring Diagram : 2000 Subaru Outback Headlight, Fixing Manual PDF Download: July 2012 and also 2000 Subaru Impreza Wiring Diagram : 2000 Subaru Outback Headlight.

Moving Windows To Accessory Power? Wiring Diagram Inside - Subaru

Moving windows to accessory power? Wiring diagram inside - Subaru www.iwsti.com

diagram wiring power sti subaru impreza wrx accessory moving windows inside security thanks many

2013 Subaru Impreza Wiring Diagram FULL HD Quality Version Wiring

2013 Subaru Impreza Wiring Diagram FULL HD Quality Version Wiring lark-diagram.versionunique.fr

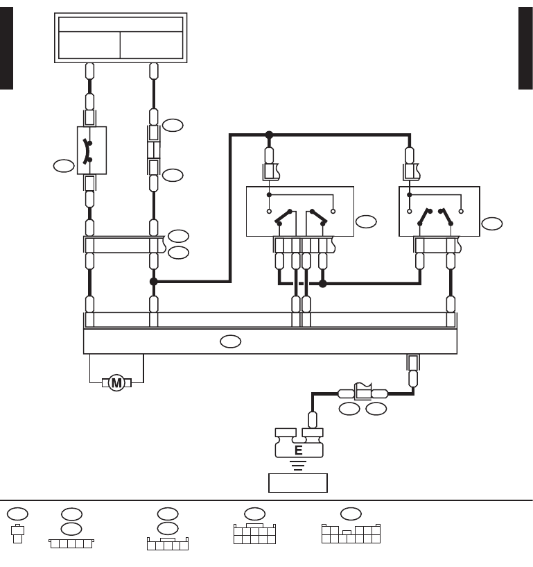
subaru impreza japenese

I Need To Find Out The Exact Timing Marks For A 1997 Subaru Legacy Twin

I need to find out the exact timing marks for a 1997 subaru legacy twin www.justanswer.com

timing subaru marks belt wrx impreza diagram turbo legacy 1997 motor 2009 1995 end

84920SA000 - Subaru Headlight Bulb | Discounted Subaru Parts, Renton WA

84920SA000 - Subaru Headlight Bulb | Discounted Subaru Parts, Renton WA www.discountedsubaruparts.com

fastener

Subaru Impreza Schematic - Complete Wiring Schemas

Subaru Impreza Schematic - Complete Wiring Schemas wiring89.blogspot.com

impreza

Subaru Impreza O Ring. Engine, Cooling, Radiator, Fan, Hose

Subaru Impreza O ring. Engine, cooling, radiator, fan, hose www.subarupartwholesale.com

impreza

2000 Subaru Impreza Wiring Diagram : 2000 Subaru Outback Headlight

2000 Subaru Impreza Wiring Diagram : 2000 Subaru Outback Headlight glslegalnoticias.blogspot.com

wiring impreza 1998 justanswer pinout ecu wiringdiagram

2002 Subaru Impreza WRX | Retro Rides

2002 Subaru Impreza WRX | Retro Rides forum.retro-rides.org

impreza wrx wiring

2000 Subaru Forester Wiring Diagram - Wiring Diagrams

2000 Subaru Forester Wiring Diagram - Wiring Diagrams cars-wiringdiagram.blogspot.com

forester outback h6 wiringdiagram

97 Subaru Legacy Fuse Diagram - Wiring Diagram Networks

97 Subaru Legacy Fuse Diagram - Wiring Diagram Networks kelvin-okl.blogspot.com

grief

Subaru Impreza Wiring Diagram Pdf

Subaru Impreza Wiring Diagram Pdf www.pinterest.com

wiring impreza thermo apu tripac 1998 v500 espa

Fixing Manual PDF Download: July 2012

Fixing Manual PDF Download: July 2012 fixmanual.blogspot.com

diagram wiring 2006 subaru impreza pdf system manual path

Impreza Suddenly Won't Start - Page 4 - ScoobyNet.com - Subaru

Impreza Suddenly Won't Start - Page 4 - ScoobyNet.com - Subaru www.scoobynet.com

scoobynet

Subaru Wiring Harness Diagram

Subaru Wiring Harness Diagram casualsneakersforwomensonlinegt.blogspot.com

impreza headlight diagrams harness sebring imageservice wrg 1374 igniter

1996 Subaru Outback Fuse Box - Wiring Diagram Schema

1996 Subaru Outback Fuse Box - Wiring Diagram Schema kiona-machit.blogspot.com

fuse 1996 relay scoobynet jdm forester 325i fuses motogurumag fixya

[DIAGRAM] Ecu Wiring Diagram For 1999 Subaru Ej25 FULL Version HD

[DIAGRAM] Ecu Wiring Diagram For 1999 Subaru Ej25 FULL Version HD ddiagram.gtve.it

wiring impreza 1998 ecu ej25 wrx justanswer aquastat

Fucken 2012 Dodge Challenger Wiring Diagram - Wiring Diagrams

Fucken 2012 Dodge Challenger Wiring Diagram - Wiring Diagrams cars-wiringdiagram.blogspot.com

fog lights wiring diagram light relay switch driving lamp wire led rocker illuminated challenger dodge bar schematic hella lamps into

Fuse Box 1997 Subaru Impreza - Wiring Diagram

Fuse Box 1997 Subaru Impreza - Wiring Diagram cars-trucks24.blogspot.com

outback fuse

Subaru impreza o ring. engine, cooling, radiator, fan, hose. Forester outback h6 wiringdiagram. Moving windows to accessory power? wiring diagram inside