1997 volvo v70 wiring diagram

Volvo V70 1999 Compartment Fuse Box/Block Circuit Breaker Diagram. 17 Pictures about Volvo V70 1999 Compartment Fuse Box/Block Circuit Breaker Diagram : VOLVO WIRING DIAGRAMS 850 - Auto Electrical Wiring Diagram, Ethernet Cable Wiring Diagram Cat6 - 27 and also VOLVO WIRING DIAGRAMS 850 - Auto Electrical Wiring Diagram.

Volvo V70 1999 Compartment Fuse Box/Block Circuit Breaker Diagram

Volvo V70 1999 Compartment Fuse Box/Block Circuit Breaker Diagram www.carfusebox.com

volvo fuse box diagram v70 engine s70 relay 1999 breaker circuit compartment 2000 main t5 side 2005 block 1997 2003

1998 Volvo V90 Engine Diagram / Volvo Free Repair And Service Manuals

1998 Volvo V90 Engine Diagram / Volvo Free Repair And Service Manuals afiqkarimduaaaaa.blogspot.com

volvo v70 s70 v90 imageservice

1999 2000 Volvo C70 S70 V70 Wiring Diagrams Service Manual By

1999 2000 Volvo C70 S70 V70 Wiring Diagrams Service Manual by issuu.com

2000 VOLVO V40 OWNERS MANUAL PDF - Auto Electrical Wiring Diagram

2000 VOLVO V40 OWNERS MANUAL PDF - Auto Electrical Wiring Diagram wiringdiagram.herokuapp.com

Ethernet Cable Wiring Diagram Cat6 - 27

Ethernet Cable Wiring Diagram Cat6 - 27 ilcucitocreatividiclarabelle.blogspot.com

cat6

2000 Volvo V70 Xc - Bag Helmet

2000 Volvo V70 Xc - Bag Helmet baghelmet.blogspot.com

xc v70 poderzhannye

Volvo 244 (1986 - 1987) - Wiring Diagrams - Speed Controls

Volvo 244 (1986 - 1987) - wiring diagrams - speed controls www.carknowledge.info

volvo wiring controls speed 1986 diagrams carknowledge info diagram 1987

Wiring Diagram PDF: 2002 Monaco Wiring Diagram

Wiring Diagram PDF: 2002 Monaco Wiring Diagram wiring-pdf.blogspot.com

interlock

2007 Volvo Truck Wiring Diagrams | Smileforless.us

2007 Volvo Truck Wiring Diagrams | smileforless.us smileforless.us

v50

31257598 - Wiring Harness - Genuine Volvo Part

31257598 - Wiring harness - Genuine Volvo Part usparts.volvocars.com

wiring

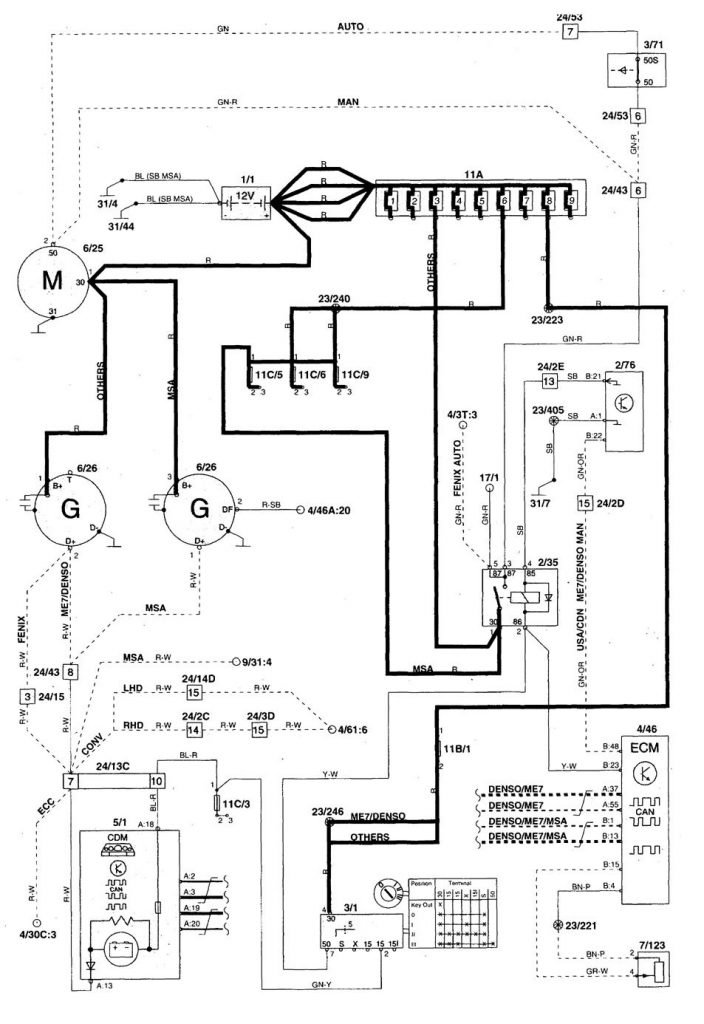
Volvo V70 (1999) - Wiring Diagrams - Starting - Carknowledge.info

Volvo V70 (1999) - wiring diagrams - starting - Carknowledge.info www.carknowledge.info

c70 v70 s70 berlingo diagrams cv460s carknowledge schaltplan schematron f650

Volvo V70 2002 Electrical Wiring Diagram Manual Instant Download By

Volvo v70 2002 electrical wiring diagram manual instant download by issuu.com

VOLVO WIRING DIAGRAMS 850 - Auto Electrical Wiring Diagram

VOLVO WIRING DIAGRAMS 850 - Auto Electrical Wiring Diagram wiring-diagram.herokuapp.com

phantom allstate vnl64t xc90

Volvo 960 (1995) - Wiring Diagrams - Starting - Carknowledge.info

Volvo 960 (1995) - wiring diagrams - starting - Carknowledge.info www.carknowledge.info

carknowledge

30864977 - Volvo Wiring Harness. Variable, Timing, CVVT | Volvo Parts

30864977 - Volvo Wiring harness. Variable, Timing, CVVT | Volvo Parts www.volvopartswebstore.com

harness volvo wiring parts timing diagram cable engine

Volvo S40 Engine Diagram - Complete Wiring Schemas

Volvo S40 Engine Diagram - Complete Wiring Schemas wiring89.blogspot.com

volvo diagram engine s40 wiring shift lock

00 V70 Suddenly No Blower - Page 2 - Volvo Forum

00 V70 Suddenly No Blower - Page 2 - Volvo Forum www.matthewsvolvosite.com

wiring diagram volvo v70 suddenly blower mib viewed times

2000 volvo v40 owners manual pdf. Volvo diagram engine s40 wiring shift lock. Volvo wiring diagrams 850