1998 dodge stratus fuse box diagram

31 2001 Dodge Stratus Fuse Box Diagram - Wiring Diagram List. 17 Images about 31 2001 Dodge Stratus Fuse Box Diagram - Wiring Diagram List : Dodge Stratus Fuse Diagram – Automotive Solutions, Mercedes-Benz C220 (1994 - 1996) - wiring diagrams - charging system and also Fuse box diagram Dodge Avenger 2008-2014.

31 2001 Dodge Stratus Fuse Box Diagram - Wiring Diagram List

31 2001 Dodge Stratus Fuse Box Diagram - Wiring Diagram List skippingtheinbetween.blogspot.com

fuse dodge stratus diagram box 2004 2001 wiring fuel pump chrysler power 2006 distribution trunk release es relay maserati tc

Dodge Stratus Fuse Diagram – Automotive Solutions

Dodge Stratus Fuse Diagram – Automotive Solutions automobilediagram.com

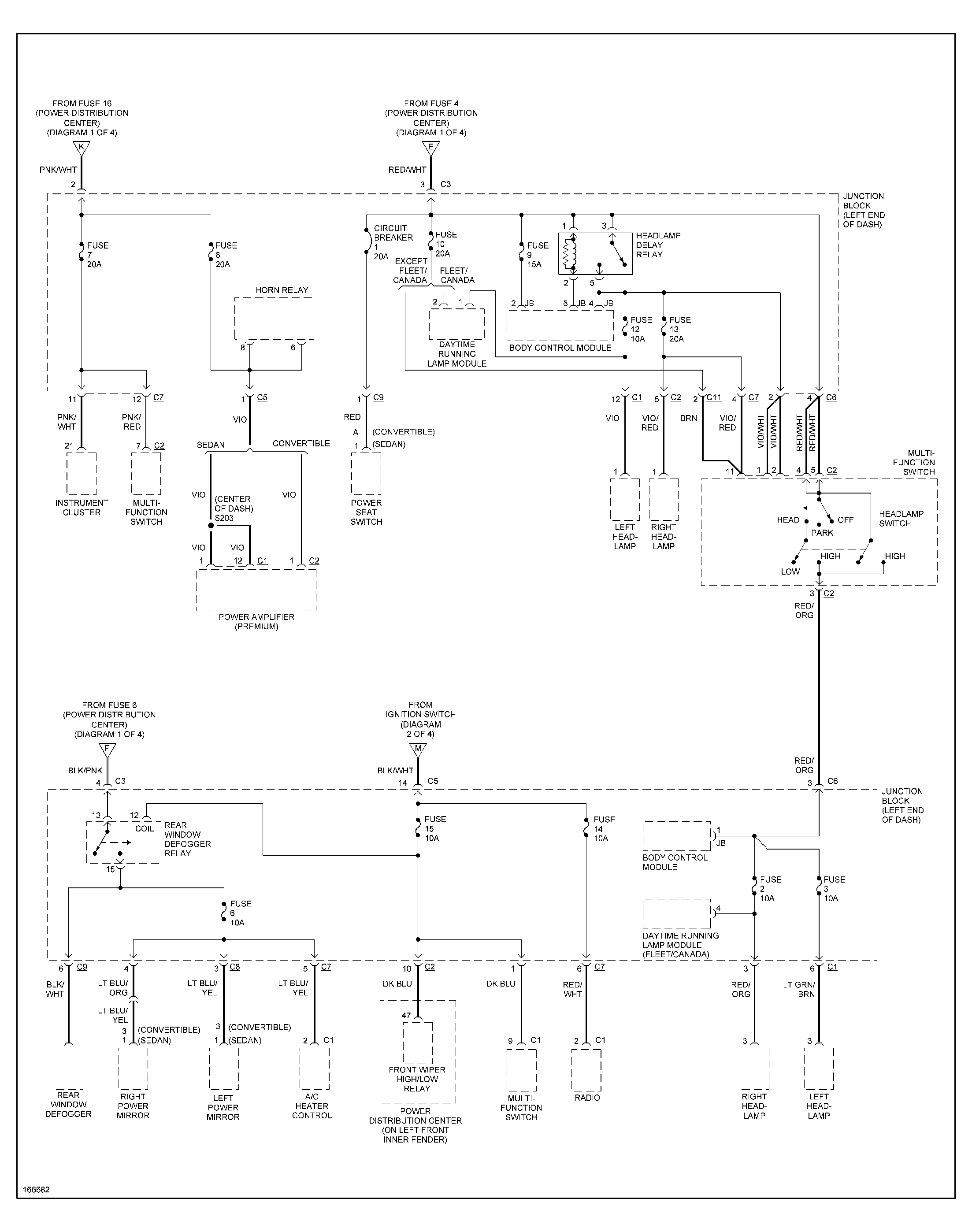
stratus

Dodge Stratus Fuse Box Diagram / Diagram Fuse Box Diagram 2005 Dodge

Dodge Stratus Fuse Box Diagram / Diagram Fuse Box Diagram 2005 Dodge intertherm-wiring-diagram.blogspot.com

stratus motogurumag evap fuses

Fuse Box Diagram Dodge Avenger 2008-2014

Fuse box diagram Dodge Avenger 2008-2014 fusesdiagram.com

dodge avenger box fuse diagram 2008

Mercedes-Benz C220 (1994 - 1996) - Wiring Diagrams - Charging System

Mercedes-Benz C220 (1994 - 1996) - wiring diagrams - charging system www.carknowledge.info

c220 carknowledge c280

Fuse Box Diagram For 2003 Dodge Stratu - Wiring Diagram

Fuse Box Diagram For 2003 Dodge Stratu - Wiring Diagram cars-trucks24.blogspot.com

stratu

Fuse Box Diagram 2000 Intrepid - Wiring Diagram

Fuse Box Diagram 2000 Intrepid - Wiring Diagram cars-trucks24.blogspot.com

fuse stratus sebring intrepid fixya imageservice montego

1998 Dodge Stratus No Horn, No Cigarette Lighter, No Rear Marker Lights

1998 Dodge Stratus No horn, no cigarette lighter, no rear marker lights www.justanswer.com

fuse lighter cigarette dodge horn 1998 stratus chrysler 300m diagram rear

Fuse Box Diagram Dodge Avenger 2008-2014

Fuse box diagram Dodge Avenger 2008-2014 fusesdiagram.com

dodge fuse avenger diagram box 2008

Dodge - 2002 Stratus Doesn't Crank When Key Turned (radio Is Also Off

dodge - 2002 Stratus doesn't crank when key turned (radio is also off mechanics.stackexchange.com

fuse diagram stratus 2001 signal turn dodge lights 2002 box hazard working relay wiring hood door starter crank turned radio

2005 Dodge Durango Interior Fuse Box Diagram | Psoriasisguru.com

2005 Dodge Durango Interior Fuse Box Diagram | Psoriasisguru.com psoriasisguru.com

stratus

Dodge Caravan 2005 Power Module Fuse Box/Block Circuit Breaker Diagram

Dodge Caravan 2005 Power Module Fuse Box/Block Circuit Breaker Diagram www.carfusebox.com

caravan dodge diagram fuse module 2005 power box breaker circuit block carfusebox

2004 Dodge Stratus Fuse Box Diagram – MotoGuruMag

2004 Dodge Stratus Fuse Box Diagram – MotoGuruMag motogurumag.com

stratus diagram fuse diagramweb motogurumag jr

34 2005 Dodge Stratus Fuse Box Diagram - Free Wiring Diagram Source

34 2005 Dodge Stratus Fuse Box Diagram - Free Wiring Diagram Source mickygurlz.blogspot.com

stratus diagram dodge 2005 fuse box engine wiring automotive parts

[DIAGRAM] 2004 Dodge Stratus Wiring Diagram FULL Version HD Quality

[DIAGRAM] 2004 Dodge Stratus Wiring Diagram FULL Version HD Quality katanadiagram.oneskin.fr

stratus fault p0135 failure

2000 Dodge Stratus Wiring Diagram Pics - Wiring Diagram Sample

2000 Dodge Stratus Wiring Diagram Pics - Wiring Diagram Sample faceitsalon.com

fuse stratus intrepid caravan motogurumag fuses

Stratus Fuse: My 2003 Dodge Stratus 4door Sedan`s Aux Power Outlet...

Stratus Fuse: My 2003 Dodge Stratus 4door Sedan`s Aux Power Outlet... www.2carpros.com

stratus fuse sponsored links

Stratus fault p0135 failure. Dodge stratus fuse box diagram / diagram fuse box diagram 2005 dodge. Fuse box diagram for 2003 dodge stratu