1998 featherlite wiring diagram

Georgie Boy Wiring Diagram. 16 Pictures about Georgie Boy Wiring Diagram : 47 Featherlite Trailer Wiring Diagram - Wiring Diagram Source Online, Featherlite 8533 Wiring Diagram and also Featherlite Horse Trailer Wiring Harnes - Wiring Diagram & Schemas.

Georgie Boy Wiring Diagram

Georgie Boy Wiring Diagram sometimesawitch.blogspot.com

georgie irv2

47 Featherlite Trailer Wiring Diagram - Wiring Diagram Source Online

47 Featherlite Trailer Wiring Diagram - Wiring Diagram Source Online apiccolisogni.blogspot.com

featherlite livestock

Weed Eater One Wiring Diagram - Complete Wiring Schemas

Weed Eater One Wiring Diagram - Complete Wiring Schemas wiring89.blogspot.com

trimmer diagram wiring homelite hedge parts weed eater ut electric string pole

Featherlite Trailer Wiring Diagram

Featherlite Trailer Wiring Diagram wiringall.com

trailer featherlite diagram wiring horse colors wire descriptions trying map

47 Featherlite Trailer Wiring Diagram - Wiring Diagram Source Online

47 Featherlite Trailer Wiring Diagram - Wiring Diagram Source Online apiccolisogni.blogspot.com

featherlite mrtrailer

Featherlite 8533 Wiring Diagram

Featherlite 8533 Wiring Diagram diagramweb.net

wiring diagram power window featherlite jeep cherokee grand 2004 1993 horse why wj working cherokeeforum dressing trailers designed features zj

Featherlite Horse Trailer Wiring Harnes - Wiring Diagram & Schemas

Featherlite Horse Trailer Wiring Harnes - Wiring Diagram & Schemas wiringideas.blogspot.com

sundowner featherlite harnes

Drag Race Car Wiring Diagram - WiringDiagramPicture

Drag Race Car Wiring Diagram - WiringDiagramPicture wiringdiagrampicture.blogspot.com

ceautoelectricsupply automotive waterproof s13

1990 Fleetwood Flair, Need Wiring Hookups For House And Chassis Batt. 2

1990 Fleetwood Flair, need wiring hookups for house and chassis batt. 2 www.justanswer.com

hookups

Featherlite Trailer Wiring Diagram - Wiringcable

Featherlite Trailer Wiring Diagram - wiringcable wiringcable.blogspot.com

featherlite etrailer

1998 Kawasaki Zx7r Wiring Diagram - Wiring Diagram And Schematic

1998 Kawasaki Zx7r Wiring Diagram - Wiring Diagram and Schematic wiring.hpricorpcom.com

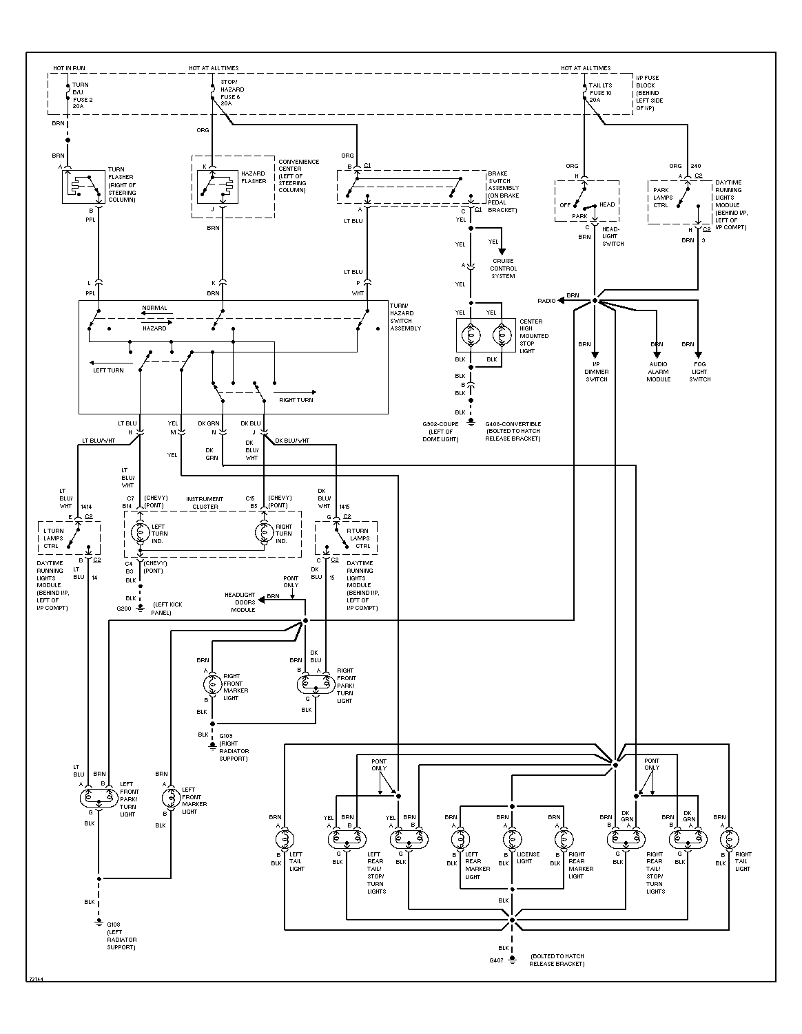
Looking For Taillight Wiring Diagram: The Owner Of The Vehicle

Looking for Taillight Wiring Diagram: the Owner of the Vehicle www.2carpros.com

taillight wiring diagram looking

Post 2003 Nav Delete How To. | Page 19 | IH8MUD Forum

post 2003 nav delete how to. | Page 19 | IH8MUD Forum forum.ih8mud.com

wiring nav delete 2003 ih8mud wires should

Headlight Wiring Diagram 77 Firebird

Headlight Wiring Diagram 77 Firebird diagramweb.net

wiring diagram firebird trans am headlight 1988 power window body engine starter firing injectors tbi i56 photobucket albums mkportal pontiac

Featherlite 8533 Wiring Diagram

Featherlite 8533 Wiring Diagram diagramweb.net

featherlite wiring diagram close

Intergrated Tail Light

intergrated tail light www.apriliaforum.com

light tail wiring diagram intergrated trailer

Headlight wiring diagram 77 firebird. Ceautoelectricsupply automotive waterproof s13. 1990 fleetwood flair, need wiring hookups for house and chassis batt. 2